Маркетплейс для
активного отдыха
Каталог товаров

Запчасти

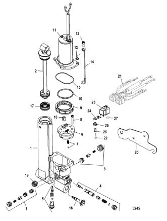
Триммер (Часть 1) 2-х тактного ПЛМ MERCURY 40 M Серийный номер от 1B000001 и выше

Картинка

Нужна помощь менеджера?

Обратиться за помощью
Артикул Фото Наименование Кол-во деталей в узле Примечание Наличие Цена Аналоги
Сортировать:
По номеру
  • По номеру
  • По артикулу
  • По названию
  • По цене
Артикул Фото Наименование Кол-во деталей в узле Примечание Наличие Цена Аналоги
1 1. Арт - 827668A1 O RING KIT O RING KIT Кол-во деталей в узле: 1 1 Под заказ

Уточнить цену

Купить
2 2. Арт - 822344T14 Система электрогидроподъема (POWER TRIM ASSEMBLY) Система электрогидроподъема (POWER TRIM ASSEMBLY) Кол-во деталей в узле: 1 1 Под заказ

Уточнить цену

Купить
3 3. Арт - 893931A01 SHOCK ROD ASSY SHOCK ROD ASSY Кол-во деталей в узле: 1 1 Под заказ

Уточнить цену

Купить
4 4. Арт - 827671A1 PILOT CHECK ASSEMBLY PILOT CHECK ASSEMBLY Кол-во деталей в узле: 1 1 Под заказ

Уточнить цену

Купить
5 5. Арт - 827672A1 TILT RELIEF VALVE ASSEMBLY TILT RELIEF VALVE ASSEMBLY Кол-во деталей в узле: 1 1 Под заказ

Уточнить цену

Купить
6 6. Арт - 827673A1 SUCTION SEAT ASSEMBLY SUCTION SEAT ASSEMBLY Кол-во деталей в узле: 1 1 Под заказ

Уточнить цену

Купить
7 7. Арт - 827674A1 PUMP ASSEMBLY PUMP ASSEMBLY Кол-во деталей в узле: 1 1 Под заказ

Уточнить цену

Купить
8 8. Арт - 82129125 Болт (SCREW) Болт (SCREW) Кол-во деталей в узле: 2 2 Под заказ

Уточнить цену

Купить
9 9. Арт - 893929A01 Клапан (VALVE KIT-RELIEF) Клапан (VALVE KIT-RELIEF) Кол-во деталей в узле: 1 1 Под заказ

Уточнить цену

Купить
10 10. Арт - 827675A1 MOTOR ASSEMBLY MOTOR ASSEMBLY Кол-во деталей в узле: 1 1 Под заказ

Уточнить цену

Купить
11 11. Арт - 88238A15 CABLE CABLE Кол-во деталей в узле: 1 1 Под заказ

Уточнить цену

Купить
12 12. Арт - 827676 MEMORY PISTON MEMORY PISTON Кол-во деталей в узле: 1 1 Под заказ

Уточнить цену

Купить
13 13. Арт - 826802A9 Электрокабель (HARNESS-TRIM) Электрокабель (HARNESS-TRIM) Кол-во деталей в узле: 1 1 Под заказ

Уточнить цену

Купить
14 14. Арт - 811613 Пробка (PLUG ASSY) Пробка (PLUG ASSY) Кол-во деталей в узле: 1 1 Под заказ

Уточнить цену

Купить
15 15. Арт - 830238T Кронштейн (BRACKET) Кронштейн (BRACKET) Кол-во деталей в узле: 1 1 Под заказ

Уточнить цену

Купить
16 16. Арт - 882751A1 Реле (RELAY ASSY-TRIM ) Реле (RELAY ASSY-TRIM ) Кол-во деталей в узле: 2 2 Под заказ

Уточнить цену

Купить
17 17. Арт - 818967 Уплотнитель (GROMMET) Уплотнитель (GROMMET) Кол-во деталей в узле: 2 2 Под заказ

Уточнить цену

Купить
18 18. Арт - 818968 Втулка (BUSHING) Втулка (BUSHING) Кол-во деталей в узле: 2 2 Под заказ

Уточнить цену

Купить
19 19. Арт - 828102 BRACKET, Mounting BRACKET, Mounting Кол-во деталей в узле: 2 2 Под заказ

Уточнить цену

Купить