Маркетплейс для
активного отдыха
Каталог товаров

Запчасти

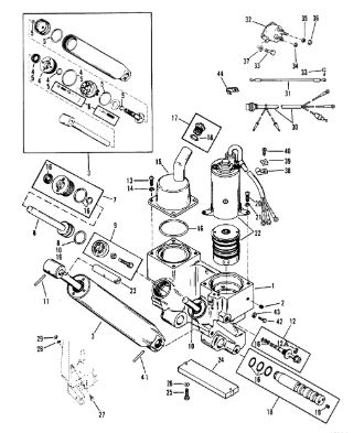
Система наклона двигателя, Three Ram (Design I ) 2-Х ТАКТНОГО ПЛМ MERCURY 75 Серийный номер от 9589039 до 9793576

Картинка

Нужна помощь менеджера?

Обратиться за помощью
Артикул Фото Наименование Кол-во деталей в узле Примечание Наличие Цена Аналоги
Сортировать:
По номеру
  • По номеру
  • По артикулу
  • По названию
  • По цене
Артикул Фото Наименование Кол-во деталей в узле Примечание Наличие Цена Аналоги
1 1. Арт - 826729A10 POWER TRIM KIT POWER TRIM KIT Кол-во деталей в узле: 1 1 Под заказ

Уточнить цену

Купить
2 2. Арт - 99659A22 MANIFOLD ASSEMBLY (MARINER) MANIFOLD ASSEMBLY (MARINER) Кол-во деталей в узле: 1 1 Под заказ

Уточнить цену

Купить
3 3. Арт - 99659A21 MANIFOLD ASSEMBLY (MERCURY) MANIFOLD ASSEMBLY (MERCURY) Кол-во деталей в узле: 1 1 Под заказ

Уточнить цену

Купить
4 4. Арт - 41493A7 TRIM CYLINDER ASSEMBLY (BLACK) TRIM CYLINDER ASSEMBLY (BLACK) Кол-во деталей в узле: 1 1 Под заказ

Уточнить цену

Купить
5 5. Арт - 69079 SCREW, HARNESS LEADS (1/2") SCREW, HARNESS LEADS (1/2") Кол-во деталей в узле: 2 2 Под заказ

Уточнить цену

Купить
6 6. Арт - 41492A1 GUIDE ASSEMBLY GUIDE ASSEMBLY Кол-во деталей в узле: 1 1 Под заказ

Уточнить цену

Купить
7 7. Арт - 41478A1 REPAIR KIT REPAIR KIT Кол-во деталей в узле: 1 1 Под заказ

Уточнить цену

Купить
8 8. Арт - 850187T1 Соленоид (SOLENOID ASSY) Соленоид (SOLENOID ASSY) Кол-во деталей в узле: 2 2 Под заказ

Уточнить цену

Купить
9 9. Арт - 41482A2 CHECK VALVE KIT CHECK VALVE KIT Кол-во деталей в узле: 1 1 Под заказ

Уточнить цену

Купить
10 10. Арт - 893929A01 Клапан (VALVE KIT-RELIEF) Клапан (VALVE KIT-RELIEF) Кол-во деталей в узле: 1 1 Под заказ

Уточнить цену

Купить
11 11. Арт - 878267 PIN, Groove PIN, Groove Кол-во деталей в узле: 1 1 Под заказ

Уточнить цену

Купить
12 12. Арт - 8M0045383 STRIKER PLATE STRIKER PLATE Кол-во деталей в узле: 2 2 Под заказ

Уточнить цену

Купить
13 13. Арт - 12184A1 TRIM FILTER ASSEMBLY TRIM FILTER ASSEMBLY Кол-во деталей в узле: 1 1 Под заказ

Уточнить цену

Купить
14 14. Арт - 58643 LOCKWASHER LOCKWASHER Кол-во деталей в узле: 2 2 Под заказ

Уточнить цену

Купить
15 15. Арт - 46335 Гайка (PROP NUT) Гайка (PROP NUT) Кол-во деталей в узле: 2 2 Под заказ

Уточнить цену

Купить
16 16. Арт - 815949001 E-RING E-RING Кол-во деталей в узле: 1 1 Под заказ

Уточнить цену

Купить
17 17. Арт - 99642 COVER, MANIFOLD COVER, MANIFOLD Кол-во деталей в узле: 1 1 Под заказ

Уточнить цену

Купить
18 18. Арт - 48462A4 O RING KIT O RING KIT Кол-во деталей в узле: 1 1 Под заказ

Уточнить цену

Купить
19 19. Арт - 821539 Шпонка (PIN-TRILOBE) Шпонка (PIN-TRILOBE) Кол-во деталей в узле: 1 1 Под заказ

Уточнить цену

Купить
20 20. Арт - 99609A1 PLUG ASSEMBLY PLUG ASSEMBLY Кол-во деталей в узле: 1 1 Под заказ

Уточнить цену

Купить
21 21. Арт - 99625002 Штифт (SHAFT-UPPER TILT) Штифт (SHAFT-UPPER TILT) Кол-во деталей в узле: 1 1 Под заказ

Уточнить цену

Купить
22 22. Арт - 99641A1 SHAFT ASSEMBLY SHAFT ASSEMBLY Кол-во деталей в узле: 1 1 Под заказ

Уточнить цену

Купить
23 23. Арт - 4000330 Болт (SCREW @5) Болт (SCREW @5) Кол-во деталей в узле: 2 2 Под заказ

Уточнить цену

Купить
24 24. Арт - 878414T01 TRIM ROD KIT-STBD TRIM ROD KIT-STBD Кол-во деталей в узле: 1 1 Под заказ

Уточнить цену

Купить
25 25. Арт - 878413A1 PISTON/ROD ASSEMBLY PISTON/ROD ASSEMBLY Кол-во деталей в узле: 1 1 Под заказ

Уточнить цену

Купить
26 26. Арт - 56800 Заглушка (PIPE PLUG) Заглушка (PIPE PLUG) Кол-во деталей в узле: 11 11 Под заказ

Уточнить цену

Купить
27 27. Арт - 8M0021648 END CAP ASSY END CAP ASSY Кол-во деталей в узле: 2 2 Под заказ

Уточнить цену

Купить
28 28. Арт - 818298Q1 Комплект анодов (ANODE KIT) Комплект анодов (ANODE KIT) Кол-во деталей в узле: 1 1 Под заказ

Уточнить цену

Купить
29 29. Арт - 22875 CLIP,WIRES AND HARNESS CLIP,WIRES AND HARNESS Кол-во деталей в узле: 2 2 Под заказ

Уточнить цену

Купить
30 30. Арт - 4000377 Болт (SCREW) Болт (SCREW) Кол-во деталей в узле: 6 6 Под заказ

Уточнить цену

Купить
31 31. Арт - 400258 LOCKWASHER, BRACKET SCREW LOCKWASHER, BRACKET SCREW Кол-во деталей в узле: 6 6 Под заказ

Уточнить цену

Купить
32 32. Арт - 29245 Шайба (WASHER @10) Шайба (WASHER @10) Кол-во деталей в узле: 2 2 Под заказ

Уточнить цену

Купить
33 33. Арт - 8M0084613 WASHER WASHER Кол-во деталей в узле: 2 2 Под заказ

Уточнить цену

Купить
34 34. Арт - 17201A2 CONTROL HARNESS, POWER TRIM (2 WIRE) CONTROL HARNESS, POWER TRIM (2 WIRE) Кол-во деталей в узле: 1 1 Под заказ

Уточнить цену

Купить
35 35. Арт - 88807A13 CABLE ASSEMBLY, IGNITION COIL (BLACK - 5-1/4") CABLE ASSEMBLY, IGNITION COIL (BLACK - 5-1/4") Кол-во деталей в узле: 2 2 Под заказ

Уточнить цену

Купить
36 36. Арт - 40007106 SCREW, STARTER SOLENOID SCREW, STARTER SOLENOID Кол-во деталей в узле: 2 2 Под заказ

Уточнить цену

Купить
37 37. Арт - 87379A14 WIRE ASSEMBLY (2-3/4"-RED) WIRE ASSEMBLY (2-3/4"-RED) Кол-во деталей в узле: 2 2 Под заказ

Уточнить цену

Купить
38 38. Арт - 47483 "J"CLIP, SWITCH BOX WIRES AND FUEL LINE "J"CLIP, SWITCH BOX WIRES AND FUEL LINE Кол-во деталей в узле: 1 1 Под заказ

Уточнить цену

Купить
39 39. Арт - 64015 NUT, STARTER SOLENOID TERMINAL (1/4-20) NUT, STARTER SOLENOID TERMINAL (1/4-20) Кол-во деталей в узле: 4 4 Под заказ

Уточнить цену

Купить