Маркетплейс для
активного отдыха
Каталог товаров

Запчасти

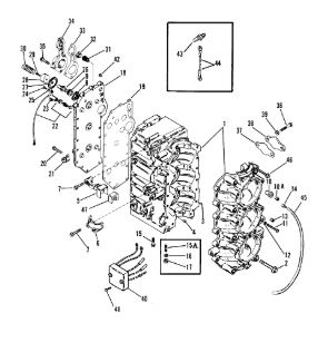
Блок цилиндров и картер 2-Х ТАКТНОГО ПЛМ MERCURY 90 Серийный номер от 9506481 до 9589038

Картинка

Нужна помощь менеджера?

Обратиться за помощью
Артикул Фото Наименование Кол-во деталей в узле Примечание Наличие Цена Аналоги
Сортировать:
По номеру
  • По номеру
  • По артикулу
  • По названию
  • По цене
Артикул Фото Наименование Кол-во деталей в узле Примечание Наличие Цена Аналоги
1 1. Арт - 43004A99 Набор прокладок 75/90 дв. блок (GASKET SET) Набор прокладок 75/90 дв. блок (GASKET SET) Кол-во деталей в узле: 1 1 Под заказ

Уточнить цену

Купить
2 2. Арт - 62386001 Прокладка (GASKET @4) Прокладка (GASKET @4) Кол-во деталей в узле: 1 1 Под заказ

Уточнить цену

Купить
3 3. Арт - 8947T51 CYLINDER BLOCK CYLINDER BLOCK Кол-во деталей в узле: 1 1 Под заказ

Уточнить цену

Купить
4 4. Арт - 8947T49 CYLINDER BLOCK CYLINDER BLOCK Кол-во деталей в узле: 1 1 Под заказ

Уточнить цену

Купить
5 5. Арт - 8947T50 CYLINDER BLOCK CYLINDER BLOCK Кол-во деталей в узле: 1 1 Под заказ

Уточнить цену

Купить
6 6. Арт - 4009680 SCREW, CRANKCASE TO CYLINDER BLOCK SCREW, CRANKCASE TO CYLINDER BLOCK Кол-во деталей в узле: 8 8 Под заказ

Уточнить цену

Купить
7 7. Арт - 42942 CAP, NYLON-ADJUSTING CAP, NYLON-ADJUSTING Кол-во деталей в узле: 1 1 Под заказ

Уточнить цену

Купить
8 8. Арт - 856774 Шайба (WASHER) Шайба (WASHER) Кол-во деталей в узле: 8 8 Под заказ

Уточнить цену

Купить
9 9. Арт - 8M0036405 Штифт (PIN CENTER MAIN) Штифт (PIN CENTER MAIN) Кол-во деталей в узле: 3 3 Под заказ

Уточнить цену

Купить
10 10. Арт - 43044 Штифт (PIN, Dowel - Without Hole (.375 x .625)) Штифт (PIN, Dowel - Without Hole (.375 x .625)) Кол-во деталей в узле: 1 1 Под заказ

Уточнить цену

Купить
11 11. Арт - 76867 COVER, STARTER MOTOR (LOWER) COVER, STARTER MOTOR (LOWER) Кол-во деталей в узле: 1 1 Под заказ

Уточнить цену

Купить
12 12. Арт - 648771 Диафрагма (DIAPHRAGM) Диафрагма (DIAPHRAGM) Кол-во деталей в узле: 1 1 Под заказ

Уточнить цену

Купить
13 13. Арт - 814204A1 BLEED SYSTEM KIT BLEED SYSTEM KIT Кол-во деталей в узле: 1 1 Под заказ

Уточнить цену

Купить
14 14. Арт - 821676A1 STUD KIT (M10) STUD KIT (M10) Кол-во деталей в узле: 8 8 Под заказ

Уточнить цену

Купить
15 15. Арт - 4010630 SCREW, (M6 x 30) SCREW, (M6 x 30) Кол-во деталей в узле: 2 2 Под заказ

Уточнить цену

Купить
16 16. Арт - 69570 SCREW, COVER SCREW, COVER Кол-во деталей в узле: 1 1 Под заказ

Уточнить цену

Купить
17 17. Арт - 426233 Клапан (CHECK VALVE) Клапан (CHECK VALVE) Кол-во деталей в узле: 1 1 Под заказ

Уточнить цену

Купить
18 18. Арт - 42996 SPRING, COMPRESSION - POPPET VALVE SPRING, COMPRESSION - POPPET VALVE Кол-во деталей в узле: 1 1 Под заказ

Уточнить цену

Купить
19 19. Арт - 428841 COVER (TOP) COVER (TOP) Кол-во деталей в узле: 1 1 Под заказ

Уточнить цену

Купить
20 20. Арт - 64872 Заглушка (GROMMET, POPPET VALVE) Заглушка (GROMMET, POPPET VALVE) Кол-во деталей в узле: 1 1 Под заказ

Уточнить цену

Купить
21 21. Арт - 65848 CARRIER, POPPET VALVE CARRIER, POPPET VALVE Кол-во деталей в узле: 1 1 Под заказ

Уточнить цену

Купить
22 22. Арт - 12621 Заглушка (COVER) Заглушка (COVER) Кол-во деталей в узле: 1 1 Под заказ

Уточнить цену

Купить
23 23. Арт - 81742750 SCREW, (M8 x 50) SCREW, (M8 x 50) Кол-во деталей в узле: 4 4 Под заказ

Уточнить цену

Купить
24 24. Арт - 126201 Прокладка (GASKET) Прокладка (GASKET) Кол-во деталей в узле: 1 1 Под заказ

Уточнить цену

Купить
25 25. Арт - 86596 POPPET VALVE POPPET VALVE Кол-во деталей в узле: 1 1 Под заказ

Уточнить цену

Купить
26 26. Арт - 9003A2 Кожух блока (COVER-CYL BLOCK ) Кожух блока (COVER-CYL BLOCK ) Кол-во деталей в узле: 1 1 Под заказ

Уточнить цену

Купить
27 27. Арт - 430057 Прокладка (GASKET) Прокладка (GASKET) Кол-во деталей в узле: 1 1 Под заказ

Уточнить цену

Купить
28 28. Арт - 75692 Термостат (THERMOSTAT-143) Термостат (THERMOSTAT-143) Кол-во деталей в узле: 1 1 Под заказ

Уточнить цену

Купить
29 29. Арт - 328022 Заглушка (PIPE PLUG) Заглушка (PIPE PLUG) Кол-во деталей в узле: 1 1 Под заказ

Уточнить цену

Купить
30 30. Арт - 40007106 SCREW, STARTER SOLENOID SCREW, STARTER SOLENOID Кол-во деталей в узле: 2 2 Под заказ

Уточнить цену

Купить
31 31. Арт - 40140 Гайка М10 (NUT @2) Гайка М10 (NUT @2) Кол-во деталей в узле: 8 8 Под заказ

Уточнить цену

Купить
32 32. Арт - 430068 Прокладка крышки термостата (GASKET) Прокладка крышки термостата (GASKET) Кол-во деталей в узле: 1 1 Под заказ

Уточнить цену

Купить
33 33. Арт - 8M0047619 COVER COVER Кол-во деталей в узле: 1 1 Под заказ

Уточнить цену

Купить
34 34. Арт - 56681 Шайба (WASHER, SWITCH BOX ATTACHING SCREW) Шайба (WASHER, SWITCH BOX ATTACHING SCREW) Кол-во деталей в узле: 2 2 Под заказ

Уточнить цену

Купить
35 35. Арт - 94182 WASHER WASHER Кол-во деталей в узле: 1 1 Под заказ

Уточнить цену

Купить
36 36. Арт - 12415 Датчик (SENDER ASSY-TEMP) Датчик (SENDER ASSY-TEMP) Кол-во деталей в узле: 1 1 Под заказ

Уточнить цену

Купить
37 37. Арт - 400212 Гайка (NUT) Гайка (NUT) Кол-во деталей в узле: 1 1 Под заказ

Уточнить цену

Купить
38 38. Арт - 88824A6 CABLE ASSEMBLY POWERBOAT, Temperature Sender CABLE ASSEMBLY POWERBOAT, Temperature Sender Кол-во деталей в узле: 1 1 Под заказ

Уточнить цену

Купить
39 39. Арт - 47483 "J"CLIP, SWITCH BOX WIRES AND FUEL LINE "J"CLIP, SWITCH BOX WIRES AND FUEL LINE Кол-во деталей в узле: 2 2 Под заказ

Уточнить цену

Купить
40 40. Арт - 48409 SCREW, TERMINAL BLOCK MARINER SCREW, TERMINAL BLOCK MARINER Кол-во деталей в узле: 2 2 Под заказ

Уточнить цену

Купить
41 41. Арт - 44290T RETAINER RETAINER Кол-во деталей в узле: 1 1 Под заказ

Уточнить цену

Купить
42 42. Арт - 78799 TEMPERATURE SENDER TEMPERATURE SENDER Кол-во деталей в узле: 1 1 Под заказ

Уточнить цену

Купить
43 43. Арт - 99162001 Колодка (BOOT) Колодка (BOOT) Кол-во деталей в узле: 1 1 Под заказ

Уточнить цену

Купить
44 44. Арт - 14857A16 MODULE-OILWARNING MODULE-OILWARNING Кол-во деталей в узле: 1 1 Под заказ

Уточнить цену

Купить
45 45. Арт - 892024122 Шланг обратного клапана (TUBING-20 FEET) Шланг обратного клапана (TUBING-20 FEET) Кол-во деталей в узле: 1 1 Под заказ

Уточнить цену

Купить