Мы используем cookie для наилучшего представления нашего сайта. Подробнее об этом в Политике конфиденциальности.
Ок

Мытищи

Ваш город:
Мытищи (Московская область)?
Нет
Да
Каталог
Каталог Написать в WhatsApp
Мотоэкипировка

Блок цилиндров 4-Х ТАКТНОГО ПЛМ MERCURY F15 Серийный номер от 0G590000 до 0G760299

Блок цилиндров 4-Х ТАКТНОГО ПЛМ MERCURY F15 Серийный номер от 0G590000 до 0G760299 в Москве: актуальный каталог, цены, фото, описание. Купите блок цилиндров 4-х тактного плм mercury f15 серийный номер от 0g590000 до 0g760299 в кредит – оформите заявку онлайн за 1 минуту!

Оригинальные запчасти

Артикул НАИМЕНОВАНИЕ Кол-во деталей в узле Примечание Наличие Цена Аналоги Фото
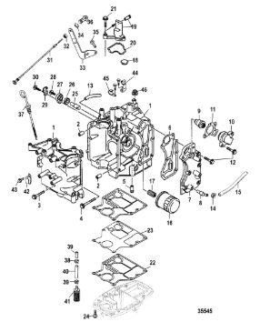
1 8M0055024 CRANKCASE ASY

Под заказ

1

Под заказ

уточнить

Купить
2 825689 PIN-DOWEL

Под заказ

2

Под заказ

уточнить

Купить
3 8M0101617 BOLT

Под заказ

4

Под заказ

уточнить

Купить
4 43092M BOLT, W/WASHER

Под заказ

6

Под заказ

уточнить

Купить
5 822644 PIPE PLUG

Под заказ

1

Под заказ

уточнить

Купить
6 834952002 Прокладка (GASKET)

Под заказ

1

Под заказ

уточнить

Купить
7 834953T02 COVER, Exhaust

Под заказ

1

Под заказ

уточнить

Купить
8 83326M Фитинг (FITTING)

Под заказ

1

Под заказ

уточнить

Купить
9 855676003 THERMOSTAT, (60C/140F)

Под заказ

1

Под заказ

уточнить

Купить
10 8M0008243 Крышка термостата (COVER)

Под заказ

1

Под заказ

уточнить

Купить
11 824853 Прокладка (GASKET)

Под заказ

1

Под заказ

уточнить

Купить
12 82500930 BOLT

Под заказ

7

Под заказ

уточнить

Купить
13 8M0060022 HOSE

Под заказ

1

Под заказ

уточнить

Купить
14 8M0108355 Шланг (HOSE-57 INCH)

Под заказ

1

Под заказ

уточнить

Купить
15 822626Q03 Фильтр масляный Mercury F20

В наличии

1

В наличии

1 880

2 070

Купить
16 822625 NIPPLE

Под заказ

1

Под заказ

уточнить

Купить
17 834974 BREATHER COVER

Под заказ

1

Под заказ

уточнить

Купить
18 850850 SEAL

Под заказ

1

Под заказ

уточнить

Купить
19 8354271 GASKET

Под заказ

2

Под заказ

уточнить

Купить
20 855922A2 Прокладка металлическая (PLATE-OIL)

Под заказ

1

Под заказ

уточнить

Купить
21 40011151 Болт (SCREW, M8 x 35)

Под заказ

6

Под заказ

уточнить

Купить
22 8M0099896 ANODE KIT

Под заказ

1

Под заказ

уточнить

Купить
23 855777 GROMMET

Под заказ

1

Под заказ

уточнить

Купить
24 855776 COVER

Под заказ

1

Под заказ

уточнить

Купить
25 855778 BOLT, (M5 x 12)

Под заказ

1

Под заказ

уточнить

Купить
26 855779 PLATE

Под заказ

1

Под заказ

уточнить

Купить
27 8257021 Болт (BOLT, (M6 x 20))

Под заказ

1

Под заказ

уточнить

Купить
28 8533442 Трос системы обогащения смеси (CHOKE CABLE)

Под заказ

1

Под заказ

уточнить

Купить
29 46335 Гайка (PROP NUT)

Под заказ

1

Под заказ

уточнить

Купить
30 855732 BRACKET

Под заказ

1

Под заказ

уточнить

Купить
31 27290 RETAINING RING, LOCK PIN

Под заказ

1

Под заказ

уточнить

Купить
32 40011126 Болт (SCREW M6 X 13)

Под заказ

2

Под заказ

уточнить

Купить
33 817428 Наконечник тяги пластиковый (SOCKET)

Под заказ

1

Под заказ

уточнить

Купить
34 8354262 Щуп масляный (DIPSTICK)

Под заказ

1

Под заказ

уточнить

Купить
35 8830591 PIPE JOINT

Под заказ

1

Под заказ

уточнить

Купить
36 896122 HOSE

Под заказ

1

Под заказ

уточнить

Купить
37 852484 OIL SCREEN

Под заказ

1

Под заказ

уточнить

Купить
38 28700 CLAMP, WIRING HARNESS

Под заказ

1

Под заказ

уточнить

Купить
39 82239312 Болт М5х12 (SCREW)

Под заказ

1

Под заказ

уточнить

Купить
40 8556951 CLAMP

Под заказ

1

Под заказ

уточнить

Купить
41 8556961 CLAMP

Под заказ

1

Под заказ

уточнить

Купить
42 855690 GROMMET

Под заказ

1

Под заказ

уточнить

Купить
43 802733A98 POWERHEAD ASSEMBLY

Под заказ

1

Под заказ

уточнить

Купить
44 835427A00 GASKET SET, Powerhead

Под заказ

1

Под заказ

уточнить

Купить

Нулевая цена не означает отсутствие товара. Оформите заказ, и менеджер сообщит вам цену и наличие товара, предварительно запросив их у поставщика

Главная Магазины
Корзина0
Профиль